م
م/محمد السيد اسماعيل
فى انتظار التسجيل
? تنفيد الخطوط فوق الارض Pipe Laying Above Ground








تمديد خطوط المواسير الناقلة الرئيسيّة فوق سطح الارض ( مكشوفة ) تستخدم كثيرا في حالات عبور الأودية ، والمناطق الصحراوية ، والأراضي الزراعية التي لايخطط تنفيذ طرق او منشآت
? تنفيذ خطوط المواسير فوق سطح الارض يجب ان يأخذ في الاعتبار مايلي :-
♚ التمدد الحراري
♚ نظام الدعم والتثبيت
♚ مقاومة الصغطوط الهيدروليكية
? الركائز


? يجب مراعاة عدة اعتبارات عند تنفيذ الخطوط فوق سطح الارض وخصوصا المواسير ذات الوصلات المرنة Push - in Joint
❨ 1 ❩ ركيزة لكل ماسورة
❨ ❩ الركيزة تنفذ بجوار الرأس مباشرة
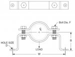
❨ ❩ قفيز التثبيت Fixing Clamp يثبت بالركيزة الخرسانية
عند درجة ( a= 120⁰) كما بالشكل
❨ ❩ يوضع بطانة مطاطية Rubber Lining بين الماسورة والقفيز
? الخطوط الدكتايل ذات الوصلات المرنة تتميز بمرونة حركتها التي تسمح لها بالتمدد الحراري
? مرفق صور توضح ماسبق شرحه
? المرجع : شركة Saint Gobain - PAM
?? اعداد مهندس مدني / محمد السيد اسماعيل






































تمديد خطوط المواسير الناقلة الرئيسيّة فوق سطح الارض ( مكشوفة ) تستخدم كثيرا في حالات عبور الأودية ، والمناطق الصحراوية ، والأراضي الزراعية التي لايخطط تنفيذ طرق او منشآت ? تنفيذ خطوط المواسير فوق سطح الارض يجب ان يأخذ في الاعتبار مايلي :-
♚ التمدد الحراري
♚ نظام الدعم والتثبيت
♚ مقاومة الصغطوط الهيدروليكية
? الركائز


? يجب مراعاة عدة اعتبارات عند تنفيذ الخطوط فوق سطح الارض وخصوصا المواسير ذات الوصلات المرنة Push - in Joint
❨ 1 ❩ ركيزة لكل ماسورة
❨ ❩ الركيزة تنفذ بجوار الرأس مباشرة
❨ ❩ قفيز التثبيت Fixing Clamp يثبت بالركيزة الخرسانية
عند درجة ( a= 120⁰) كما بالشكل
❨ ❩ يوضع بطانة مطاطية Rubber Lining بين الماسورة والقفيز
? الخطوط الدكتايل ذات الوصلات المرنة تتميز بمرونة حركتها التي تسمح لها بالتمدد الحراري
? مرفق صور توضح ماسبق شرحه
? المرجع : شركة Saint Gobain - PAM
?? اعداد مهندس مدني / محمد السيد اسماعيل





























